audi 5 cylinder engine diagram

Audi Workshop Manuals > A3 Mk2 > Power unit > 4-cylinder direct petrol. 17 Pics about Audi Workshop Manuals > A3 Mk2 > Power unit > 4-cylinder direct petrol : Audi TT RS Coupe : 2012 | Cartype, Audi TT (FV) 2015-2020 Workshop Repair Manuals & Wiring Diagrams | Auto and also Audi Workshop Manuals > A3 Mk1 > Power unit > 4-cylinder 1.8 ltr. 5.

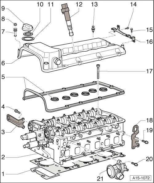
Audi Workshop Manuals > A3 Mk2 > Power Unit > 4-cylinder Direct Petrol

Audi Workshop Manuals > A3 Mk2 > Power unit > 4-cylinder direct petrol workshop-manuals.com

audi head cylinder engine a3 golf workshop mk6 bzb mk2 manuals volkswagen cdaa gasket ccta ccza valve petrol turbo injection

Reason Why Fluid(s) Might Their Way Into The 01E Transmission Bell

Reason why fluid(s) might their way into the 01E transmission bell www.audiworld.com

transmission 01e housing bell clutch sleeve fluid audi why arm reason might way into seal input guide inside operating shaft

Audi Workshop Manuals > A4 Mk3 > Power Unit > 4-cylinder Direct Petrol

Audi Workshop Manuals > A4 Mk3 > Power unit > 4-cylinder direct petrol workshop-manuals.com

audi cylinder head manuals workshop engine a4 mk3 gasket ltr

Audi TT (FV) 2015-2020 Workshop Repair Manuals & Wiring Diagrams | Auto

Audi TT (FV) 2015-2020 Workshop Repair Manuals & Wiring Diagrams | Auto www.autorepairmanuals.ws

audi manuals fv

2007 Audi A4 AUDI Engine Assembly - 1 - Used - A Grade.

2007 Audi A4 AUDI engine assembly - 1 - Used - A Grade. www.tlsautorecycling.com

audi a4 engine 2007 assembly

Audi Workshop Manuals > A4 Mk3 > Power Unit > 6-cylinder TDI Engine (2.

Audi Workshop Manuals > A4 Mk3 > Power unit > 6-cylinder TDI engine (2. workshop-manuals.com

mk3 gasket ltr

Audi Workshop Manuals > A5 > Power Unit > 6-cylinder Direct Petrol

Audi Workshop Manuals > A5 > Power unit > 6-cylinder direct petrol workshop-manuals.com

manuals audi workshop cylinder a5 valve engine head

Audi Workshop Manuals > A3 Mk1 > Power Unit > 4-cylinder 1.8 Ltr. 5

Audi Workshop Manuals > A3 Mk1 > Power unit > 4-cylinder 1.8 ltr. 5 workshop-manuals.com

exploded manuals

Gallery - Audi Technical Service Training - Audi 3.0-Liter V6 Engine

Gallery - Audi Technical Service Training - Audi 3.0-Liter V6 Engine www.bentleypublishers.com

audi engine liter v6 technical study program self training service au15

MyChimaera - Engine And Transmisstion Details Diagrams Comparison

MyChimaera - Engine and transmisstion details diagrams comparison www.mychimaera.com

engine head chevy drawing technical braapz photobucket blueprints v6 degree engineering heads rusch motorsports drawings dimensional bits info s17 combustion

Problems, Need Help! - AudiForums.com

Problems, need help! - AudiForums.com www.audiforums.com

engine audi 5v problems need help turbo v5 b5 audiforums 20thstreetauto cars

Audi TT RS Coupe : 2012 | Cartype

Audi TT RS Coupe : 2012 | Cartype cartype.com

audi tt cylinder tfsi coupe rs liter cartype charged turbo five

Leather Shift Shifter Knob Selector Handle 99-05 VW Jetta Golf MK4

Leather Shift Shifter Knob Selector Handle 99-05 VW Jetta Golf MK4 carparts4sale.com

vw golf selector handle jetta mk4 genuine knob shifter shift leather usd sku thu mar

Audi Workshop Manuals > A3 Mk2 > Power Unit > 6-cylinder Injection

Audi Workshop Manuals > A3 Mk2 > Power unit > 6-cylinder injection workshop-manuals.com

exploded mk2

Audi A4 2.6 ABC Engine 1997 Was Overheating Until The Engine Was Turned

Audi a4 2.6 ABC engine 1997 was overheating until the engine was turned www.justanswer.com

audi a4 abc 1997 engine overheating until tdc hi

2016 B9 Audi A4 2.0 TFSI Engine In Detail - QuattroWorld

2016 B9 Audi A4 2.0 TFSI Engine in detail - QuattroWorld www.quattroworld.com

audi engine tfsi a4 b9 quattroworld cylinder

Audi Workshop Manuals > A4 Cabriolet Mk2 > Power Unit > 6-cylinder

Audi Workshop Manuals > A4 Cabriolet Mk2 > Power unit > 6-cylinder workshop-manuals.com

coolant removing

Audi workshop manuals > a4 cabriolet mk2 > power unit > 6-cylinder. Audi workshop manuals > a4 mk3 > power unit > 4-cylinder direct petrol. Audi workshop manuals > a3 mk1 > power unit > 4-cylinder 1.8 ltr. 5