active pickup wiring diagram

pickup wiring diagrams... (x-post from /r/ GuitarHumor ) | Diagram. 17 Pics about pickup wiring diagrams... (x-post from /r/ GuitarHumor ) | Diagram : Help with wiring EMG BTS preamp with passive pickups | TalkBass.com, Active Pickups? How do EMG do it? | La Révolution Deux and also ElectroSmash - EMG81 Pickup.

Pickup Wiring Diagrams... (x-post From /r/ GuitarHumor ) | Diagram

pickup wiring diagrams... (x-post from /r/ GuitarHumor ) | Diagram www.pinterest.com

Pin On Pickup Wiring

Pin on Pickup Wiring www.pinterest.es

Single Pickup Guitar Wiring Diagram | Humbucker Soup

Single Pickup Guitar Wiring Diagram | Humbucker Soup humbuckersoup.com

wiring pickup diagram single guitar humbucker volume wire jack output

Pin On Truck Wiring

Pin on Truck wiring www.pinterest.com

honda civic diagram wiring dodge accord ram engine window truck relay fuel headlight pump schematic ac bay tahoe 1999 mirror

Help With Wiring EMG BTS Preamp With Passive Pickups | TalkBass.com

Help with wiring EMG BTS preamp with passive pickups | TalkBass.com www.talkbass.com

wiring passive emg bts preamp pickups active help talkbass leo smith likes

Emg 81 Wiring Diagram

Emg 81 Wiring Diagram www.tankbig.com

wiring emg 81 humbucker diagram volume pu 1vol

Alternate 2 Single Coils & 1 Humbucker Wiring Diagram

Alternate 2 Single Coils & 1 Humbucker Wiring Diagram www.synapticsystems.com

wiring humbucker diagram single tone volume coils 250k 500k diagrams potentiometer notes evans studios

DiMarzio Bluesbucker Wiring Diagram | Humbucker Soup

DiMarzio Bluesbucker Wiring Diagram | Humbucker Soup humbuckersoup.com

dimarzio wiring diagram humbucker guitar installing

6 Most Common Problems With Electrics On Trucks And Trailers - Imagup

6 Most Common Problems with Electrics On Trucks and Trailers - Imagup www.imagup.com

imagup

Extreme Pickup Selector Wiring

Extreme Pickup Selector Wiring www.robabernathy.com

Wiring Tip: Using An S1 Switch With JBE Pickups | JBE Pickups

Wiring Tip: Using an S1 switch with JBE pickups | JBE Pickups jbepickups.com

s1 switch fender wiring diagram pickups jbe tip using bottom within schematic

Pickup Wiring Assistance | The Gear Page

Pickup Wiring Assistance | The Gear Page www.thegearpage.net

Active Pickups? How Do EMG Do It? | La Révolution Deux

Active Pickups? How do EMG do it? | La Révolution Deux revolutiondeux.blogspot.com

active emg pickups pickup circuit diy ativador humbucker

I Need Wiring Diagram For - Fixya

I need wiring diagram for - Fixya www.fixya.com

wiring diagram fixya trailer luck stop

ElectroSmash - EMG81 Pickup

ElectroSmash - EMG81 Pickup www.electrosmash.com

pickup schematic circuit active amplifier simple differential analysis electrosmash guitar

TRUCK WIRING | The H.A.M.B.

TRUCK WIRING | The H.A.M.B. www.jalopyjournal.com

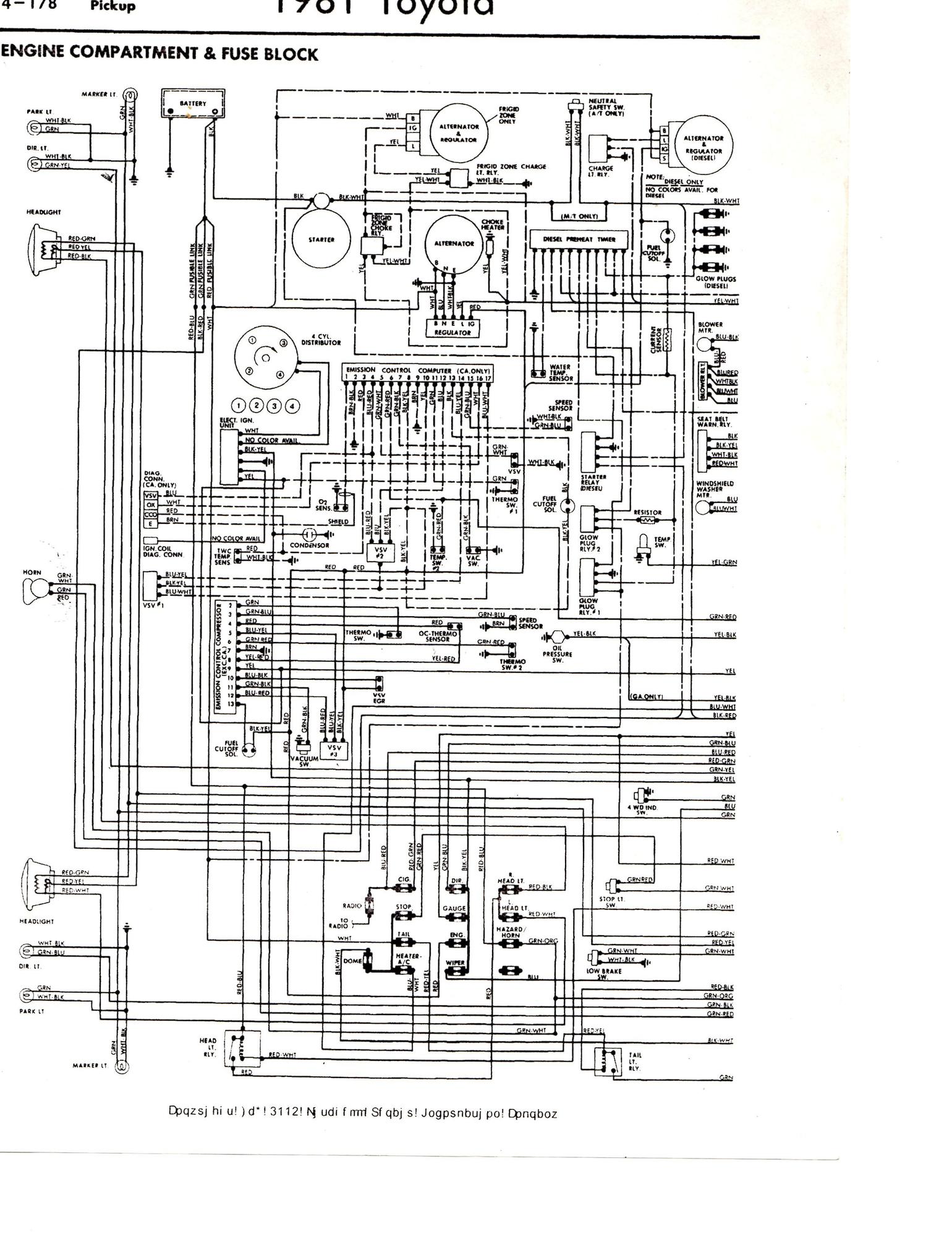
83 Pickup Wiring HELP - YotaTech Forums

83 pickup wiring HELP - YotaTech Forums www.yotatech.com

yotatech

Honda civic diagram wiring dodge accord ram engine window truck relay fuel headlight pump schematic ac bay tahoe 1999 mirror. Help with wiring emg bts preamp with passive pickups. Pin on truck wiring