arduino car h bridge wiring

Wiring the MCP2515 Shield with OBD on Arduino | 14core.com. 17 Pics about Wiring the MCP2515 Shield with OBD on Arduino | 14core.com : 14CORE Line Following BOT with TCRT5000/L298N on Microcontroller, How to Build an H-bridge Circuit with an Arduino Microcontroller -Use and also Driving Your Bot - YASP Arduino.

Wiring The MCP2515 Shield With OBD On Arduino | 14core.com

Wiring the MCP2515 Shield with OBD on Arduino | 14core.com www.14core.com

14CORE Obstacle Avoidance Bot With HC-SR04, L293D Shield, SERVO

14CORE Obstacle Avoidance Bot with HC-SR04, L293D Shield, SERVO www.14core.com

l293d shield obstacle arduino avoidance sr04 hc servo 14core bot robot microcontroller diagram wiring sensor ultrasonic code source viết từ

Getting Moving With XOD – Robot Car Part 1 | DroneBot Workshop

Getting Moving with XOD – Robot Car Part 1 | DroneBot Workshop dronebotworkshop.com

robot xod diagram moving getting hookup pinouts exactly mega same did

Remote Control Car Toy From Transistor - Complete Wiring Schemas

Remote Control Car Toy From Transistor - Complete Wiring Schemas wiring89.blogspot.com

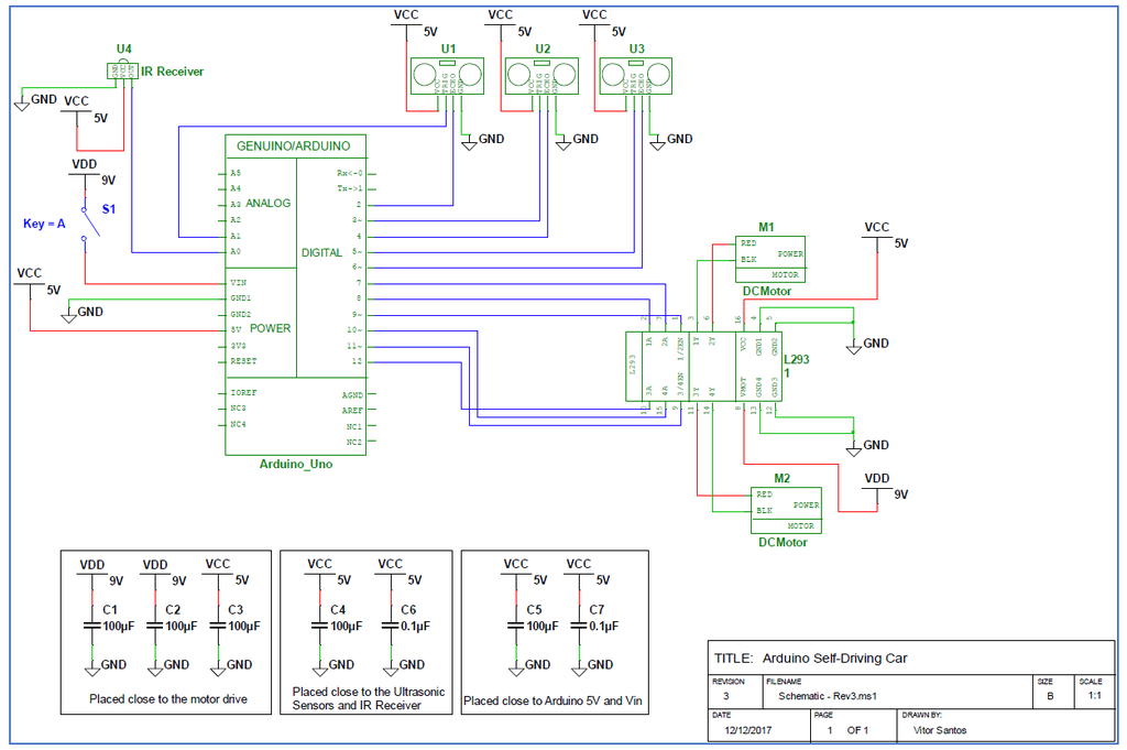
How To Build: Arduino Self-Driving Car: 7 Steps (with Pictures)

How to Build: Arduino Self-Driving Car: 7 Steps (with Pictures) www.instructables.com

14Core-Line-Following-robot-l298n-l293D-H-bridge-Smart-Car-Diagram

14Core-Line-Following-robot-l298n-l293D-H-bridge-Smart-Car-Diagram www.14core.com

14core l298n l293d

14CORE Line Following BOT With TCRT5000/L298N On Microcontroller

14CORE Line Following BOT with TCRT5000/L298N on Microcontroller www.14core.com

l298n tcrt5000 14core microcontroller

Driving Your Bot - YASP Arduino

Driving Your Bot - YASP Arduino sites.google.com

bridge bot driving wiring

762 Best Arduino Project Images On Pinterest | Arduino Projects, The

762 best Arduino Project images on Pinterest | Arduino projects, The www.pinterest.com

interfaced motor engineersgarage

Arduino H-Bridge Motor Control Board Example - Arduino Project Hub

Arduino H-Bridge Motor Control Board Example - Arduino Project Hub create.arduino.cc

arduino bridge motor control example rs232 uart tutorial program

DC Motor Control Using An H-Bridge Using Arduino

DC Motor Control Using an H-Bridge using arduino duino4projects.com

Arduino Circuit : Microcontroller Circuits :: Next.gr

arduino circuit : Microcontroller Circuits :: Next.gr www.next.gr

arduino bridge working why circuit gr circuits projects

Isolating Arduino From H-bridge Motor Driver

Isolating arduino from H-bridge motor driver forum.arduino.cc

isolating isolate

How To Build An H-bridge Circuit With An Arduino Microcontroller -Use

How to Build an H-bridge Circuit with an Arduino Microcontroller -Use duino4projects.com

bridge arduino circuit microcontroller build motor schematic use

Wiring RFLink 433MHz Remote Controlled Rover Robot | 14core.com

Wiring RFLink 433MHz Remote Controlled Rover Robot | 14core.com www.14core.com

433mhz wiring arduino transmitter rf link controlled rover robot remote 14core diagram receiver

14Core-Line-Following-robot-l298n-l293D-H-bridge-Smart-Car-Diagram

14Core-Line-Following-robot-l298n-l293D-H-bridge-Smart-Car-Diagram www.14core.com

robot diagram smart 14core l298n following line l293d bridge arduino

Wires Crossing On Schematic? - General Electronics - Arduino Forum

Wires Crossing on Schematic? - General Electronics - Arduino Forum forum.arduino.cc

1582 2398

14core l298n l293d. How to build: arduino self-driving car: 7 steps (with pictures). Wiring the mcp2515 shield with obd on arduino