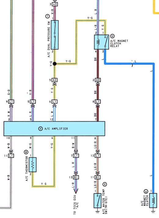
aem 35 8460 wiring diagram

Aem Wideband Wiring Diagram - 36. 15 Pics about Aem Wideband Wiring Diagram - 36 : Aem 35 8460 Wiring Diagram, Aem 35 8460 Wiring Diagram and also New to HP tuners and here is my journey/"as I go guide" for all newbies.

Aem Wideband Wiring Diagram - 36

Aem Wideband Wiring Diagram - 36 shs99reunion.blogspot.com

aem wideband s2000

AEM V2 6100 A/C Signal From Amplifier | AEM

AEM v2 6100 A/C signal from amplifier | AEM www.aemelectronics.com

aem

AEM EMS Blowing Fuse - EvolutionM - Mitsubishi Lancer And Lancer

AEM EMS Blowing Fuse - EvolutionM - Mitsubishi Lancer and Lancer www.evolutionm.net

aem wideband install ems fuse blowing hassle least electrical evolutionm uego forums ecu ground rennlist

Aem 35 8460 Wiring Diagram

Aem 35 8460 Wiring Diagram schematron.org

aem wiring diagram wideband thread mk3 build guide diy uego harnesses dash adapter fuel displays cd air digital

New To HP Tuners And Here Is My Journey/"as I Go Guide" For All Newbies

New to HP tuners and here is my journey/"as I go guide" for all newbies ls1tech.com

aem tuners newbies ls1tech egr

Aem Air Fuel Gauge Wiring Diagram - Rinirsaputra

Aem Air Fuel Gauge Wiring Diagram - Rinirsaputra rinirsaputra.blogspot.com

aem

Aem Wiring Harnes - Fuse & Wiring Diagram

Aem Wiring Harnes - Fuse & Wiring Diagram fusewiring.blogspot.com

wiring aem harnes harness infinity accessory core

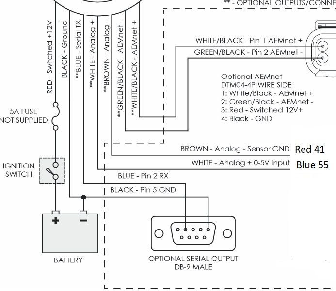
Wiring & Logging An AEM 3.5 Bar MAP Sensor | DSMtuners

Wiring & logging an AEM 3.5 bar MAP sensor | DSMtuners www.dsmtuners.com

wiring aem sensor map logging bar dsmtuners install

Aem 35 8460 Wiring Diagram

Aem 35 8460 Wiring Diagram diagramweb.net

aem inputs ecu3 cramble scramble clublexus

42 Aem Ems 4 Wiring Diagram - Wiring Diagram Source Online

42 Aem Ems 4 Wiring Diagram - Wiring Diagram Source Online apiccolisogni.blogspot.com

aem ems

Aem Wideband 35-8460 Wiring Diagram For Your Needs

Aem Wideband 35-8460 Wiring Diagram For Your Needs www.dentistmitcham.com

wideband aem uego americantrucks ratio

Wiring Diagram Ats Amf

Wiring Diagram Ats Amf wiringdiagramall.blogspot.com

amf

New To HP Tuners And Here Is My Journey/"as I Go Guide" For All Newbies

New to HP tuners and here is my journey/"as I go guide" for all newbies ls1tech.com

tuners aem newbies ls1tech egr

AEM Electronics 30-0308 Air / Fuel Ratio Gauge | Autoplicity

AEM Electronics 30-0308 Air / Fuel Ratio Gauge | Autoplicity autoplicity.com

aem electronics ratio gauge fuel air autoplicity

Aerosoft_mega_airport_madrid_barajas_fs2004 __EXCLUSIVE__ :: Down By

Aerosoft_mega_airport_madrid_barajas_fs2004 __EXCLUSIVE__ :: Down by kikutanbo.tistory.com

Wiring & logging an aem 3.5 bar map sensor. Aem wideband install ems fuse blowing hassle least electrical evolutionm uego forums ecu ground rennlist. Wiring aem sensor map logging bar dsmtuners install