abz electric actuator wiring diagram

[AN_8616] Auma Norm Wiring Diagram Free Diagram. 8 Pics about [AN_8616] Auma Norm Wiring Diagram Free Diagram : Warner Linear Actuator Wiring Diagram | Free Wiring Diagram, 30 Rcs Actuator Wiring Diagram - Wiring Diagram Database and also Noah Electric Actuator Wiring Diagram : Electric Actuator Eq Series Pdf.

[AN_8616] Auma Norm Wiring Diagram Free Diagram

[AN_8616] Auma Norm Wiring Diagram Free Diagram aesth.skat.eatte.egre.wigeg.teria.xaem.ical.licuk.carn.rious.sand.lukep.oxyt.rmine.shopa.mohammedshrine.org

auma ac012

TQB Modulating 4-20mA Electric Actuated Ball Valve Actuator,motor

TQB Modulating 4-20mA Electric actuated ball valve actuator,motor torq-actuator.com

tqb adjustable type valve

30 Rcs Actuator Wiring Diagram - Wiring Diagram Database

30 Rcs Actuator Wiring Diagram - Wiring Diagram Database kovodym.blogspot.com

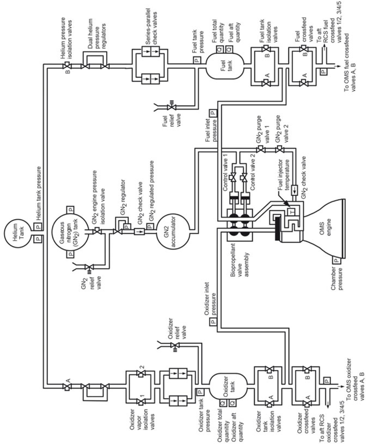
system wiring diagram rcs actuator maneuvering orbital reaction space

Abz Valve Wiring Diagram Ws0609

Abz Valve Wiring Diagram Ws0609 diagramweb.net

abz

Warner Linear Actuator Wiring Diagram | Free Wiring Diagram

Warner Linear Actuator Wiring Diagram | Free Wiring Diagram ricardolevinsmorales.com

actuator wiring diagram linear warner abz ensign electrical electric

[LK_8277] Wiring Basics Wiring Harness Diagram Limit Switches Wiring

[LK_8277] Wiring Basics Wiring Harness Diagram Limit Switches Wiring synk.cette.mohammedshrine.org

autovehicle

Noah Electric Actuator Wiring Diagram : Electric Actuator Eq Series Pdf

Noah Electric Actuator Wiring Diagram : Electric Actuator Eq Series Pdf josiahlionberger.blogspot.com

Actuated Ball Valve 3-Pce Full Bore Firesafe BSP Screwed End

Actuated Ball Valve 3-Pce Full Bore Firesafe BSP Screwed End gcstainless.co.uk

pneumatic pce bore actuated ball actuator firesafe gcstainless

Warner linear actuator wiring diagram. Tqb adjustable type valve. System wiring diagram rcs actuator maneuvering orbital reaction space