81 ford f100 wiring diagram

best wiring diagram for 1977? - Ford Truck Enthusiasts Forums. 15 Pictures about best wiring diagram for 1977? - Ford Truck Enthusiasts Forums : 81 Ford F100 Wiring Diagram - Wiring Diagram Data Oreo - Ford F250, 83 F100 Wiring Diagram Help - Ford Truck Enthusiasts Forums and also New fusebox (Ford F-250 78), new voltage meter, new alternator, won't.

Best Wiring Diagram For 1977? - Ford Truck Enthusiasts Forums

best wiring diagram for 1977? - Ford Truck Enthusiasts Forums www.ford-trucks.com

wiring diagram ford 1977 forums truck

New Fusebox (Ford F-250 78), New Voltage Meter, New Alternator, Won't

New fusebox (Ford F-250 78), new voltage meter, new alternator, won't www.justanswer.com

wiring ford diagram 79 bronco alternator truck 1979 f250 voltage meter fuse box source fusebox keep classic location

83 F100 Wiring Diagram Help - Ford Truck Enthusiasts Forums

83 F100 Wiring Diagram Help - Ford Truck Enthusiasts Forums www.ford-trucks.com

wiring ford diagram f100 truck tfi carb 1981 engine ignition wire help system duraspark feedback ii coil 9l trucks forums

83 F100 Wiring Diagram Help - Ford Truck Enthusiasts Forums

83 F100 Wiring Diagram Help - Ford Truck Enthusiasts Forums www.ford-trucks.com

wiring diagram ford f100 bronco truck instrument schematic box help trucks 1971 piggyback signal edit

1971 F100 Wiring Diagram - Ford Truck Enthusiasts Forums

1971 F100 Wiring Diagram - Ford Truck Enthusiasts Forums www.ford-trucks.com

diagram ford f100 wiring 1971 truck

| Repair Guides | Manual Transmission | Linkage | AutoZone.com

| Repair Guides | Manual Transmission | Linkage | AutoZone.com www.autozone.com

linkage manual speed transmission shifter 1970 1975 1967 repair guide autozone gm fig models removal transmissions similar components

81 Ford F100 Wiring Diagram - Wiring Diagram Data Oreo - Ford F250

81 Ford F100 Wiring Diagram - Wiring Diagram Data Oreo - Ford F250 2020cadillac.com

f100 oreo

1963 Ford F100 Wiring Diagram Pictures - Wiring Diagram Sample

1963 Ford F100 Wiring Diagram Pictures - Wiring Diagram Sample faceitsalon.com

f100 picr equalizer fordification

1969 Camaro Wiring Diagram | Free Wiring Diagram

1969 Camaro Wiring Diagram | Free Wiring Diagram ricardolevinsmorales.com

wiring diagram camaro 1969 manual oldsmobile diagrams project

N69p [DIAGRAM] 2008 Dodge Ram 2500 Windshield Wiper Wiring Diagram FULL

N69p [DIAGRAM] 2008 Dodge Ram 2500 Windshield Wiper Wiring Diagram FULL plb-heumueller.de

47re

83 F100 Wiring Diagram Help - Ford Truck Enthusiasts Forums

83 F100 Wiring Diagram Help - Ford Truck Enthusiasts Forums www.ford-trucks.com

wiring diagram ford f100 ignition module truck panel help box instrument trucks

Please Help Me Rewire My 1973 F100! - Ford Truck Enthusiasts Forums

Please Help Me Rewire my 1973 F100! - Ford Truck Enthusiasts Forums www.ford-trucks.com

revtech f100 encendido diagrama f350 rewire immediate

1964 Ford Truck Wiring Diagrams - FORDification.info - The '61-'66 Ford

1964 Ford Truck Wiring Diagrams - FORDification.info - The '61-'66 Ford fordification.info

wiring 1964 diagram ford f100 truck fuse f750 schematic box diagrams turn signals fordification info horn lighting pickup thru trucks

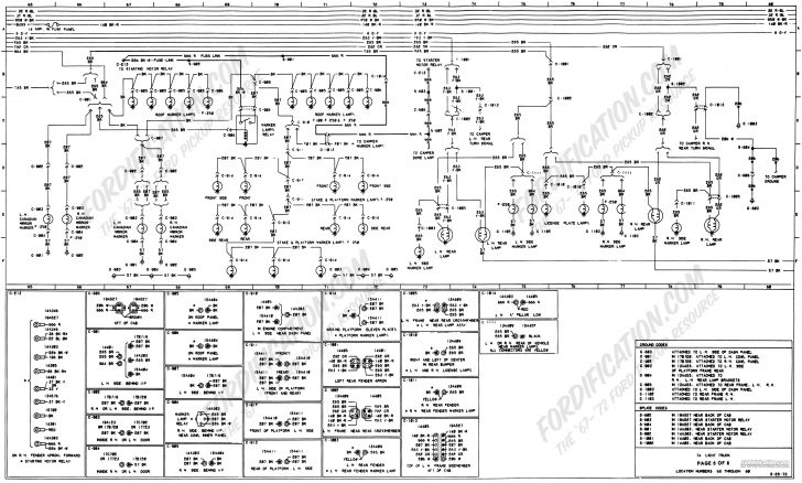
Ford Truck Technical Drawings And Schematics - Section I - Electrical

Ford Truck Technical Drawings and Schematics - Section I - Electrical www.fordification.com

wiring diagram f800 ignition fuse box 1990 ford light dome dash parts camaro engine f100 schematics door truck panel electrical

1977 Ford F100 Wiring Problem - Ford Truck Enthusiasts Forums

1977 ford f100 wiring problem - Ford Truck Enthusiasts Forums www.ford-trucks.com

ford wiring f100

83 f100 wiring diagram help. Wiring diagram ford f100 bronco truck instrument schematic box help trucks 1971 piggyback signal edit. | repair guides