5.7 hemi engine parts diagram

5 7l Hemi Engine Diagram. 9 Pictures about 5 7l Hemi Engine Diagram : 5.7 Hemi – ENGINE INSTALLATION – Diesel Engines Troubleshooting, 5.7 Hemi Engine Assembly | 06 07 08 09 Charger R/T - YouTube and also 5 7l Hemi Engine Diagram.

5 7l Hemi Engine Diagram

5 7l Hemi Engine Diagram hestiahelper.blogspot.com

hemi 7l diagram engine timing chain

[FOR SALE] - Modern Hemi Parts 5.7 & 6.1 | For A Bodies Only Mopar Forum

[FOR SALE] - Modern Hemi parts 5.7 & 6.1 | For A Bodies Only Mopar Forum www.forabodiesonly.com

hemi parts modern mopar timing throttlebody dirty bit motor same fine should plus shipping

5.7 Hemi Engine Assembly | 06 07 08 09 Charger R/T - YouTube

5.7 Hemi Engine Assembly | 06 07 08 09 Charger R/T - YouTube www.youtube.com

The 2013 5.7L HEMI Engine Build Part ( 18 ) - YouTube

The 2013 5.7L HEMI Engine Build part ( 18 ) - YouTube www.youtube.com

Gen III Hemi, Please Post Things To Avoid And Know.. - Moparts Forums

Gen III Hemi, please post things to avoid and know.. - Moparts Forums board.moparts.org

hemi moparts engine1 ubbthreads

5.7 Hemi – ENGINE REMOVAL – Diesel Engines Troubleshooting

5.7 Hemi – ENGINE REMOVAL – Diesel Engines Troubleshooting www.dieselmechanic.info

structural inspection

5.7 Hemi – ENGINE REMOVAL – Diesel Engines Troubleshooting

5.7 Hemi – ENGINE REMOVAL – Diesel Engines Troubleshooting www.dieselmechanic.info

troubleshooting disconnect

Engine Conversion And Replacement Kit

Engine Conversion and Replacement Kit www.manciniracing.com

conversion kit hemi engine gen mount iii v8 body mounts swap replacement ac moparshop

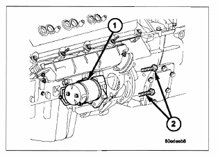
5.7 Hemi – ENGINE INSTALLATION – Diesel Engines Troubleshooting

5.7 Hemi – ENGINE INSTALLATION – Diesel Engines Troubleshooting www.dieselmechanic.info

engine troubleshooting engines fixture

[for sale]. 5.7 hemi – engine installation – diesel engines troubleshooting. Troubleshooting disconnect