4l80e external wiring harness diagram

4L80E connector wiring question - LS1TECH - Camaro and Firebird Forum. 15 Pics about 4L80E connector wiring question - LS1TECH - Camaro and Firebird Forum : 39 4l80e External Wiring Harness Diagram - Wiring Diagram Online Source, 39 4l80e External Wiring Harness Diagram - Wiring Niche Ideas and also 4L80E connector wiring question - LS1TECH - Camaro and Firebird Forum.

4L80E Connector Wiring Question - LS1TECH - Camaro And Firebird Forum

4L80E connector wiring question - LS1TECH - Camaro and Firebird Forum ls1tech.com

ls1tech wire

[DIAGRAM] 4l80e Transmission Internal Wire Harness 1994 Wiring Diagram

[DIAGRAM] 4l80e Transmission Internal Wire Harness 1994 Wiring Diagram diagramdry.jokergiochi.it

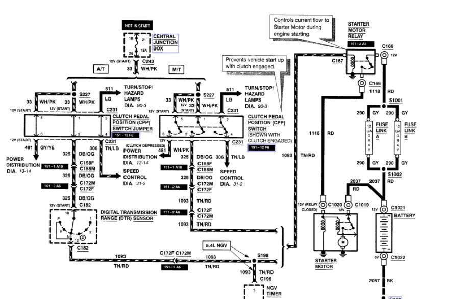
guides

1995 4l60e Wiring Diagram - Wiring Diagram Schema

1995 4l60e Wiring Diagram - Wiring Diagram Schema kiona-machit.blogspot.com

wiring diagram external trans 1995 electrical tips

39 4l80e External Wiring Harness Diagram - Wiring Diagram Online Source

39 4l80e External Wiring Harness Diagram - Wiring Diagram Online Source sitzone.blogspot.com

wiring f750 f100

4l60e Diagram - Diagram Media

4l60e Diagram - Diagram Media diagramedia.blogspot.com

4l60e Neutral Safety Switch Wiring

4l60e Neutral Safety Switch Wiring wiringall.com

switch neutral safety wiring diagram transmission chevy gm circuit park forums official thread m6 a4 shift performancetrucks lever motor

Wiring Diagram For 4l60e Transmission - FIASINDAH

Wiring Diagram For 4l60e Transmission - FIASINDAH fiasindah.blogspot.com

harness external

2000 Honda Accord Transmission Wiring Diagram - Wiring Schema

2000 Honda Accord Transmission Wiring Diagram - Wiring Schema wiringschema101.blogspot.com

wiring diagram honda accord 2000 transmission wiringdiagram sample unique

39 4l80e External Wiring Harness Diagram - Wiring Niche Ideas

39 4l80e External Wiring Harness Diagram - Wiring Niche Ideas eduhubgeek.blogspot.com

diagram dtcs unable limp

4l60e Wiring Plug

4l60e Wiring Plug www.pinterest.com

ambrasta

Transmission: Will The Transmission Wiring Harness From A Two

Transmission: Will the Transmission Wiring Harness From a Two www.2carpros.com

transmission

40 4l80e Wiring Harness - Wiring Diagram Online Source

40 4l80e Wiring Harness - Wiring Diagram Online Source sitzone.blogspot.com

Harness, Internal Wiring 4L80E 1990-07

Harness, Internal Wiring 4L80E 1990-07 mstpstore.com

harness wiring internal 1990 skip beginning

35 4l60e Wiring Harness Diagram - Wiring Diagram List

35 4l60e Wiring Harness Diagram - Wiring Diagram List skippingtheinbetween.blogspot.com

wiring diagram harness

Allison 1000 External Wiring Harnes - Wiring Diagram Networks

Allison 1000 External Wiring Harnes - Wiring Diagram Networks kelvin-okl.blogspot.com

allison wiring 1000 speed swap control external system diagram stand alone harnes

Switch neutral safety wiring diagram transmission chevy gm circuit park forums official thread m6 a4 shift performancetrucks lever motor. 4l60e wiring plug. 2000 honda accord transmission wiring diagram