2013 vw golf engine diagram

I have a 1996 volkswagen golf. It has the 2.0 liter engine and a 5. 16 Pics about I have a 1996 volkswagen golf. It has the 2.0 liter engine and a 5 : Fuse Box Diagram Volkswagen Golf VI GTI (mk6; 2009-2013), 2010-2014 VW Volkswagen Golf Timing Marks Diagram (2.0L Engine) and also Find used 2002 VW Volkswagen Golf GLS TDI Manual Engine Rebuilt 2012 50.

I Have A 1996 Volkswagen Golf. It Has The 2.0 Liter Engine And A 5

I have a 1996 volkswagen golf. It has the 2.0 liter engine and a 5 www.justanswer.com

golf timing marks liter volkswagen 1996 engine check distributor pointing cylinder

SOLVED: When I Start My 1995 VW Golf CL Diesel (Engine - Fixya

SOLVED: When I start my 1995 VW Golf CL Diesel (Engine - Fixya www.fixya.com

fixya

Volkswagen Workshop Manuals > Golf Mk4 > Power Unit > 4-cylinder Diesel

Volkswagen Workshop Manuals > Golf Mk4 > Power unit > 4-cylinder diesel workshop-manuals.com

mk4 crapata ulei baie vwforum

VW-Tiguan-Serpentine-Accessory-Belt-Replacement-Guide-003

VW-Tiguan-Serpentine-Accessory-Belt-Replacement-Guide-003 www.paulstravelpictures.com

tiguan belt vw serpentine replacement accessory guide volkswagen tsi 0l

2015 Vw Jetta Tdi Fuse Diagram / 2015 Jetta Tdi Fuse Block. Which One

2015 Vw Jetta Tdi Fuse Diagram / 2015 Jetta tdi fuse block. Which one parkerundes1951.blogspot.com

jetta

[OO_9384] Vwvortexcom I Need A Vr6 Vacuum Diagram Download Diagram

[OO_9384] Vwvortexcom I Need A Vr6 Vacuum Diagram Download Diagram pical.oidei.impa.isra.mohammedshrine.org

diagram vr6 1999 golf engine wiring database vacuum need

SOLVED: When I Start My 1995 VW Golf CL Diesel (Engine - Fixya

SOLVED: When I start my 1995 VW Golf CL Diesel (Engine - Fixya www.fixya.com

golf fixya

I Have A 1999 Vw Golf Wolfsburg Edition, 2.0 Liter Fuel Injected Engine

I have a 1999 vw Golf Wolfsburg edition, 2.0 liter fuel injected Engine www.justanswer.com

vw golf 1999 wolfsburg fuse edition hi 1998 volkswagen engine fuel

Volkswagen Cabriolet Questions - It Hard To Put My Shifter In First

Volkswagen Cabriolet Questions - It hard to put my shifter in first www.cargurus.com

cabriolet shifter gear volkswagen cargurus helpful found

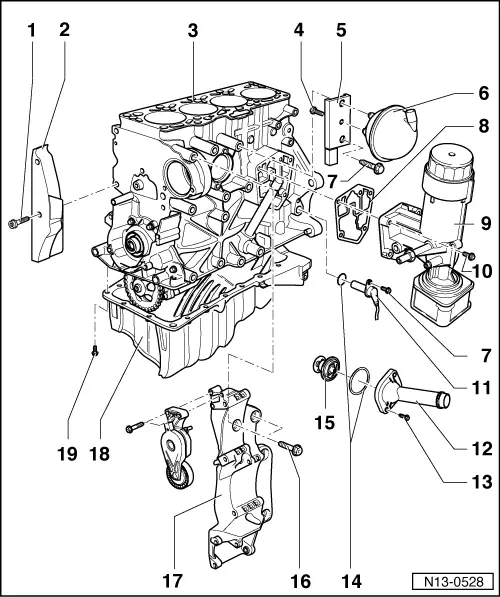
Volkswagen Workshop Manuals > Golf Mk5 > Power Unit > 4-cylinder

Volkswagen Workshop Manuals > Golf Mk5 > Power unit > 4-cylinder workshop-manuals.com

audi golf mk1 mk5 turbo diagram a3 engine system workshop valve leon air seat mk2 cylinder volkswagen unit turbocharger manuals

Find Used 2002 VW Volkswagen Golf GLS TDI Manual Engine Rebuilt 2012 50

Find used 2002 VW Volkswagen Golf GLS TDI Manual Engine Rebuilt 2012 50 www.2040-cars.com

cars volkswagen golf tdi mpg rebuilt gls vw 2002 manual clean engine title

Fuse Box Diagram Volkswagen Golf VI GTI (mk6; 2009-2013)

Fuse Box Diagram Volkswagen Golf VI GTI (mk6; 2009-2013) fuse-box.info

gti golf volkswagen fuse 2009 box engine mk6 location compartment diagram fuses layout

Fuse Box Volkswagen Jetta 2011

Fuse Box Volkswagen Jetta 2011 prsteyer.blogspot.com

jetta tdi fuse vw box radio volkswagen fuses sportwagen panel which fusebox

Volkswagen Workshop Manuals > Golf Mk4 > Engine > 4-cylinder Injection

Volkswagen Workshop Manuals > Golf Mk4 > Engine > 4-cylinder injection workshop-manuals.com

golf mk4 engine volkswagen workshop manuals head cylinder cap intake valve gasket rep manifold

2010-2014 VW Volkswagen Golf Timing Marks Diagram (2.0L Engine)

2010-2014 VW Volkswagen Golf Timing Marks Diagram (2.0L Engine) enginepartsdiagram.com

timing 0l amarok tfsi enginepartsdiagram

2004 Vw Golf Fuse Box Diagram - Cars Wiring Diagram

2004 Vw Golf Fuse Box Diagram - Cars Wiring Diagram yosalsero.blogspot.com

citi gti fixya stickerdeals

[oo_9384] vwvortexcom i need a vr6 vacuum diagram download diagram. Jetta tdi fuse vw box radio volkswagen fuses sportwagen panel which fusebox. Golf fixya